
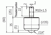
IK-19NM

ISB Ball Transfer units are designed for smooth and multi-directional movement of materials with minimal friction, making them ideal for conveyor systems, assembly lines, and transfer tables. The compact and durable construction ensures high load capacity and excellent wear resistance, even under continuous operation. Available in various sizes and materials to suit different applications, each unit is precision-engineered to support reliable and efficient movement of heavy loads in all directions with minimal effort.
Ball Size : φ3/4" (19.05mm)
Product Weight : 0.22 kg (2.16 N)
Load Capacity : 60 kgf (588 N)
Draft:IK-19NM
Body : S45C
Large Ball : SUJ2
Small Balls : SUJ2
Cap : S45C
Plate : SCM415