


IRT-300

ลูกปืนลำเลียงของ ISB ได้รับการออกแบบมาเพื่อการเคลื่อนย้ายวัสดุอย่างราบรื่นในทุกทิศทางด้วยแรงเสียดทานที่น้อยที่สุด ทำให้เหมาะสำหรับระบบสายพานลำเลียง สายการประกอบ และโต๊ะถ่ายโอนวัสดุ โครงสร้างที่กะทัดรัดและทนทานช่วยให้รองรับน้ำหนักได้สูงและทนต่อการสึกหรอได้อย่างยอดเยี่ยม แม้ในสภาพการใช้งานอย่างต่อเนื่อง โดยมีให้เลือกหลากหลายขนาดและวัสดุ เพื่อตอบสนองต่อการใช้งานที่แตกต่างกัน แต่ละยูนิตได้รับการออกแบบอย่างแม่นยำ เพื่อให้สามารถเคลื่อนย้ายวัสดุหนักได้อย่างมีประสิทธิภาพและเชื่อถือได้ในทุกทิศทางโดยใช้แรงน้อยที่สุด
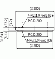
น้ำหนักผลิตภัณฑ์: 4.8 กก. (47 นิวตัน)
ความสามารถในการรับน้ำหนัก: 30 กก.แรง (294 นิวตัน)
แผ่นโต๊ะ: เหล็ก
ฐาน: เหล็ก