


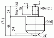
IK-25NM

ลูกปืนลำเลียงของ ISB ได้รับการออกแบบมาเพื่อการเคลื่อนย้ายวัสดุอย่างราบรื่นในทุกทิศทางด้วยแรงเสียดทานที่น้อยที่สุด ทำให้เหมาะสำหรับระบบสายพานลำเลียง สายการประกอบ และโต๊ะถ่ายโอนวัสดุ โครงสร้างที่กะทัดรัดและทนทานช่วยให้รองรับน้ำหนักได้สูงและทนต่อการสึกหรอได้อย่างยอดเยี่ยม แม้ในสภาพการใช้งานอย่างต่อเนื่อง โดยมีให้เลือกหลากหลายขนาดและวัสดุ เพื่อตอบสนองต่อการใช้งานที่แตกต่างกัน แต่ละยูนิตได้รับการออกแบบอย่างแม่นยำ เพื่อให้สามารถเคลื่อนย้ายวัสดุหนักได้อย่างมีประสิทธิภาพและเชื่อถือได้ในทุกทิศทางโดยใช้แรงน้อยที่สุด
ขนาดลูกบอล: φ1 นิ้ว (25.4 มม.)
น้ำหนักผลิตภัณฑ์: 0.5 กก. (4.9 นิวตัน)
ความสามารถในการรับน้ำหนัก: 100 กก.แรง (980 นิวตัน)
แบบร่าง: IK-25NM
ตัวเรือน: S45C
ลูกบอลใหญ่: SUJ2
ลูกบอลเล็ก: SUJ2
ฝาครอบ: S45C
แผ่นฐาน: SCM415