


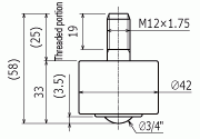
IK-19N

ลูกปืนลำเลียงของ ISB ได้รับการออกแบบมาเพื่อการเคลื่อนย้ายวัสดุอย่างราบรื่นในทุกทิศทางด้วยแรงเสียดทานที่น้อยที่สุด ทำให้เหมาะสำหรับระบบสายพานลำเลียง สายการประกอบ และโต๊ะถ่ายโอนวัสดุ โครงสร้างที่กะทัดรัดและทนทานช่วยให้รองรับน้ำหนักได้สูงและทนต่อการสึกหรอได้อย่างยอดเยี่ยม แม้ในสภาพการใช้งานอย่างต่อเนื่อง โดยมีให้เลือกหลากหลายขนาดและวัสดุ เพื่อตอบสนองต่อการใช้งานที่แตกต่างกัน แต่ละยูนิตได้รับการออกแบบอย่างแม่นยำ เพื่อให้สามารถเคลื่อนย้ายวัสดุหนักได้อย่างมีประสิทธิภาพและเชื่อถือได้ในทุกทิศทางโดยใช้แรงน้อยที่สุด
ขนาดลูกปืน: φ3/4" (19.05 มม.)
น้ำหนักผลิตภัณฑ์: 0.29 กก. (2.84 นิวตัน)
ความสามารถในการรับน้ำหนัก: 60 กก.แรง (588 นิวตัน)
พร้อมซีลสักหลาด
แบบร่าง: IK-19N
วัสดุตัวเรือน: S45C
ลูกปืนใหญ่: SUJ2
ลูกปืนเล็ก: SUJ2
ฝาครอบ: S45C
แผ่นยึด: SCM415