


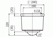
IK-127

ลูกปืนลำเลียงของ ISB ได้รับการออกแบบมาเพื่อการเคลื่อนย้ายวัสดุอย่างราบรื่นในทุกทิศทางด้วยแรงเสียดทานที่น้อยที่สุด ทำให้เหมาะสำหรับระบบสายพานลำเลียง สายการประกอบ และโต๊ะถ่ายโอนวัสดุ โครงสร้างที่กะทัดรัดและทนทานช่วยให้รองรับน้ำหนักได้สูงและทนต่อการสึกหรอได้อย่างยอดเยี่ยม แม้ในสภาพการใช้งานอย่างต่อเนื่อง โดยมีให้เลือกหลากหลายขนาดและวัสดุ เพื่อตอบสนองต่อการใช้งานที่แตกต่างกัน แต่ละยูนิตได้รับการออกแบบอย่างแม่นยำ เพื่อให้สามารถเคลื่อนย้ายวัสดุหนักได้อย่างมีประสิทธิภาพและเชื่อถือได้ในทุกทิศทางโดยใช้แรงน้อยที่สุด
ขนาดลูกบอล: φ5 (127 มม.)
น้ำหนักผลิตภัณฑ์: 45.95 กก. (450 นิวตัน)
ความสามารถในการรับน้ำหนัก: 900 กก.แรง (8820 นิวตัน)
พร้อมซีลผ้าสักหลาดแบบร่าง: IK-127
ตัวเรือน: FC250
ลูกบอลใหญ่: SUJ2
ลูกบอลเล็ก: SUJ2
ฝาครอบ: S45C
แผ่นฐาน: SCM415